Skip To Main Content
Account
Settings
Logout
placeholder
Account
Settings
Logout
Filter:
All Files
Submit Search
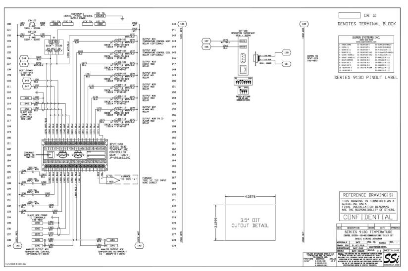
Appendix B – Wiring Diagram of SERIES 9130: RS-485