Control Systems
If you are using the Bazooka Probe™ for the first time as a replacement in an existing system, you will find that the performance is as good as or better than you are accustomed to. If you plan on a new system to upgrade your controls, you can rely on Super Systems to supply you exactly what you need, from the simplest on/off controls to the most sophisticated programmable PID control with computer interface.
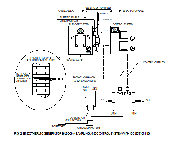
Fig 2. Shows a typical generator control system with a separate conditioning box available as a standard system from Super Systems. SSi is positioned to provide a “plug and play” system that is operator friendly. Components such as valves, flow meters, cable and tubing are generally ordered with each system so that these items are available when the system is installed. For details, please contact SSi or your SSi representative.