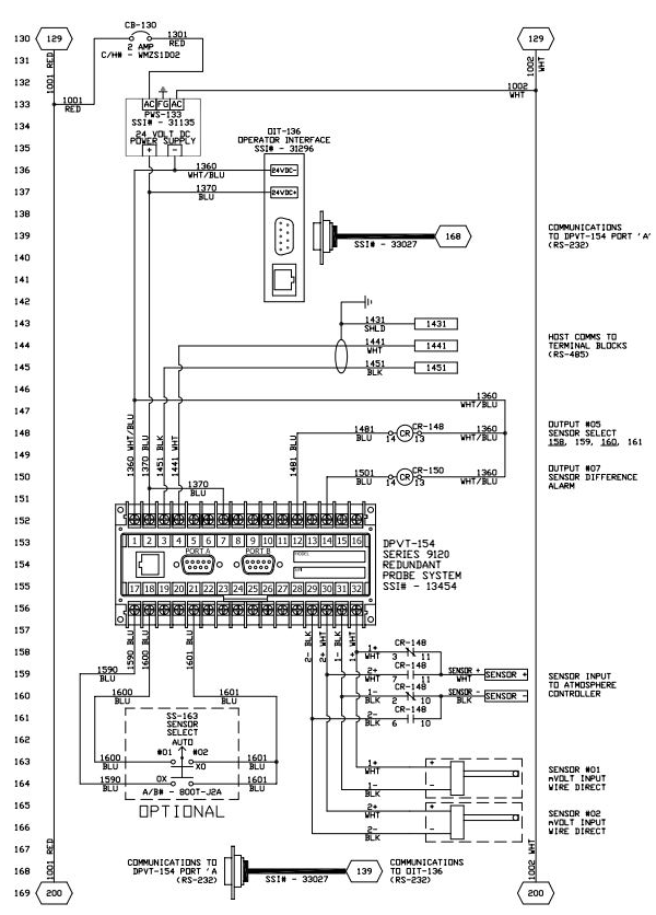
Typical Electrical Drawings
P/N 13493:
P/N 13522:
Spare Parts:
|
Description |
Part Number |
|
Power Supply |
31135 |
|
Gold Probes |
Check the current part number of your SSi Probe |
|
|
|
|
|
|